csa.png csa-ph.png

NG28娱乐CS66A先进系列协作机器人

全新构型,高速高精,灵活折叠,全模块化

CS66A
  • 亮点
  • 参数
  • 图纸
  • 控制箱/示教器/示教软件
  • 相关资源
  • 相关产品

CS66A

  • b3icon1-594.svg
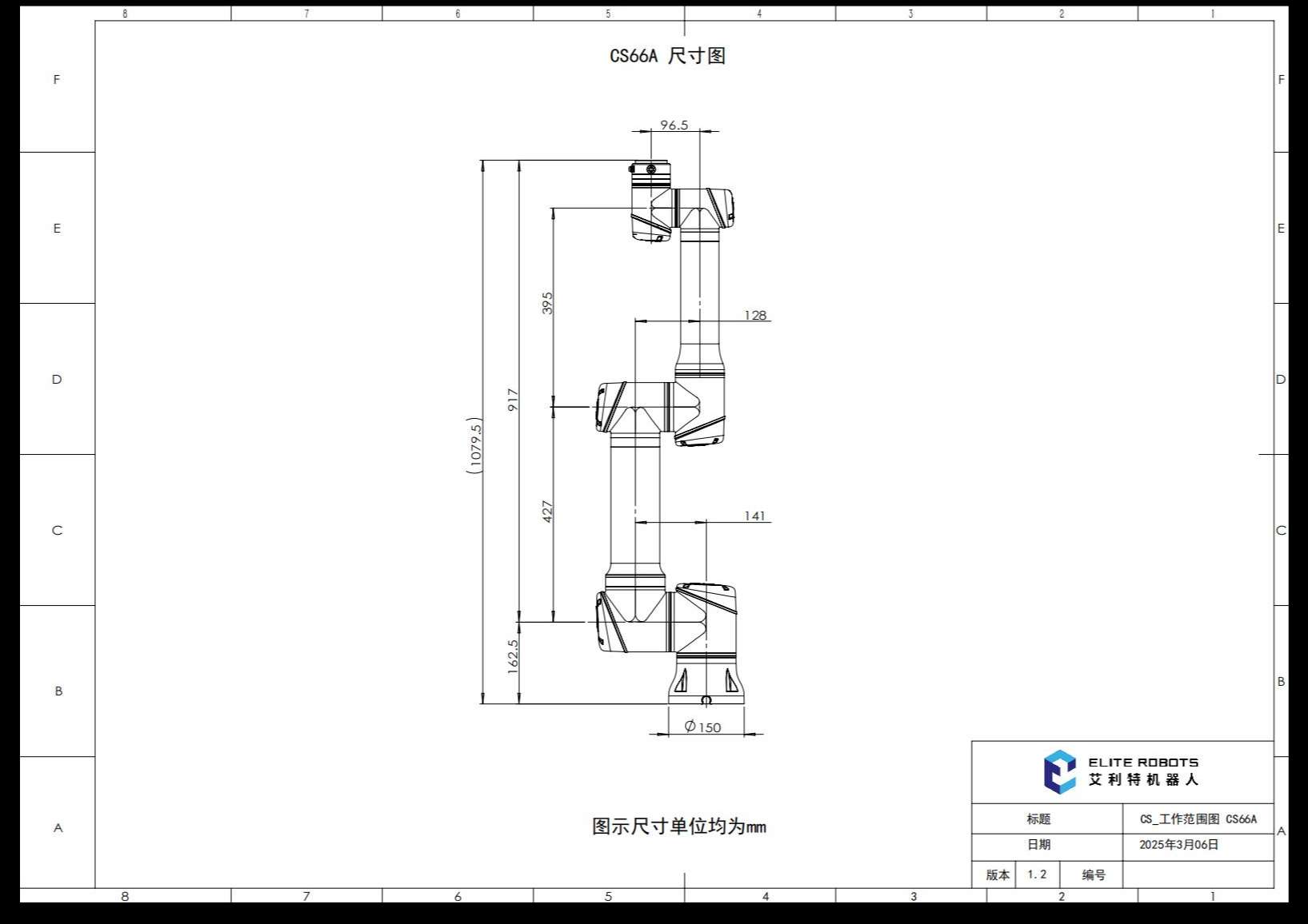
    914mm

    工作半径

  • b3icon2-752.svg
    6kg

    负载

  • b3icon3.svg
    ±0.02mm

    重复定位精度

  • b3icon4.svg
    21Kg

    自重

产品参数

  • 技术参数
  • 关节参数
  • 物理参数
  • 配件型号
    • 名称参数
      自由度6
      负载6kg
      工作半径914mm
      重复定位精度±0.02mm
      典型功耗300W
      安装方式任意角度
      工具I/O4xDO/4xDI (可配置)、1xAI 、1xAO
      工具I/O供电12 V/24 V,3 A (三针模式), 2 A (双针模式), 1 A (单针模式)
      工具通信RS485

    • 关节运动范围关节最大速度
      基座±360°210°/s
      肩部±360°210°/s
      肘部1±360°210°/s
      肘部2±360°410°/s
      手腕1±360°470°/s
      手腕2±360°470°/s
      工具最大速度3.4m/s3.4m/s
    • 名称参数
      自重21kg
      底座直径Φ150mm
      IP防护等级IP68
      工作环境温度-10°C~50 ℃
      工作环境湿度90%相对湿度(非冷凝)
      材料铝合金、钢、塑料、橡胶
      标准线缆长度5.5m
    • 名称参数
      控制箱ERB2C300  /  ERB1C1K0MN  /  ERB2C300N
      示教器ERP400
      全能示教器(选配)ERP400S
CS66A.png

产品图纸

  • 外形尺寸图
  • 工作范围图
  • 控制箱

    ERB2E2K0-220/110 / ERB2E2K0-48/24 (标配)
    ERB1E2K0E-48 (选配)

    b1_img15.png
  • 示教器/示教软件

    示教器/示教软件

    b1_img16.png
download-669.svg comicon14.svg

电话咨询

download-397.svg comicon15.svg

免费试用

Vector.svg Frame.svg

微信小程序

img1.jpg

微信小程序

准备好突破增长瓶颈,开启智能制造了吗?
了解NG28娱乐的机器人如何帮助您的业务增长
欢迎下载NG28娱乐机器人资料

我已阅读并同意NG28娱乐《隐私政策》《法律声明》

我已知晓并同意NG28娱乐通过电子邮件发送相关资料

提交